当前位置:首页>铸造工艺

铝合金铸件的原位拉伸试验研究

张光曙、朱丽娟等 发表于2026/1/15 16:16:23 铸造合金力学性能

原标题:Al-Si-Mg 铸造合金的原位拉伸试验研究

摘要

通过在扫描电子显微镜下进行铝合金的原位拉伸试验,研究了A356-T6铝合金在应变阶段发生损伤机理。通过对微结构的定量分析以及损伤机理的原位研究,描述Si微粒及其共晶分布规律,并用于拉伸性的控制。原位测试表明,在应变量的增加过程中,由于开裂形成了伴随有Si颗粒的脆性断裂的损伤,产生邻近的微裂纹,同时Si微裂纹的加入引起枝晶边界上微裂纹的形核。最后裂纹沿枝晶边界进行增长直到出现不稳定状况。研究表明,通过力学的原位拉伸试验,可得到关于损伤机理的定量数据,对预测铸造合金的力学性能有重要的参考意义。

Al-Si-Mg合金铸造过程中,在Si微粒内微裂纹的产生、生长、以及最后由于抗基质韧带的皱缩造成聚并过程中,因为其颗粒大小和形状对熔体脆性影响很大,所以第一阶段通常认为很关键。然而通过变更共晶体和不同热处理可改善Si的影响而避免脆性。但如果改善的合金铸件中Si颗粒有一些为球状,同时枝晶尺寸主要由凝固速率决定,热处理改善就十分有限。这是因为热处理使微粒的尺度和形状参数只在比较小的范围内变化,而凝固过程中枝晶大小变化却恰好相反。目前,关于材料的拉伸性能尤其是拉伸性受微观特性影响主要有两种观点:一种观点认为枝晶尺度是影响的主要因素,另一种认为是Si微粒和枝晶晶胞尺寸的综合效应。

通过拉伸试验以及金相观察,在解释损伤机理方面存在不同解释。然而,从断裂的拉伸试样中选取试样制备金相可能会导致对已破裂Si微粒百分比含量的错估。因此,为更好的研究损伤机理,需要新的原位拉伸试验。

本文使用A356-T6 合金铸件,通过原位拉伸试验研究其损伤机理,其试验结果用于近似模型的建立和验证微结构对拉伸性的作用研究。

01 试验步骤

本次研究使用A356-T6 合金铸件,化学成分见表1。铸造期间,按规定选择冷凝时间为砂型130 s,激冷为20 s。铸造过后,对合金进行T6热处理,并进行后续处理。过程如下:在540 ℃下进行长达6 h的增溶,并在水中淬火,然后在室温下进行24 h的自然时效以及在160 ℃下进行6 h的人工时效。

表1 铸件的化学组成 wB/%

铸件整体热处理后再取样,取样位置在铸件壁厚的四分之一处,用金相分析其微观结构,Si的颗粒度、长宽比、以及颗粒间距均通过定量图像分析软件确定,并通过扫描电镜原位测试检验。以金相学的方式进行的微结构分析属于二维逼近,实际上,这种类型的分析是一种研究材料力学性能的有效途径。

本试验在江西理工大学分析测试中心进行,为随时跟踪拉伸过程中同一部位塑性变形的组织微观变化及各种参数情况,使用日本产电子JSM-6701F冷场发射扫描电子显微镜。把准备好的小型抛光试件进行原位拉伸试验,试验应变速率为8×10¯4/s,,塑性变形增加1%记录一组试验数据和图像,随后试验恢复正常并进行下一组1%的应变增长。原位拉伸与传统拉伸不同就是:在高分辨镜下同步观察试样拉伸变形过程,具体是在拉伸实验的同时,通常在电镜上进行观察裂纹的萌生和扩展,在样品室安装有拉伸台,加载速率可控,在产生裂纹后可保持加载状态进行照相,通过逐步加载,原位观测裂纹尖端的组织变化以及裂纹扩展路径与组织关系。结果通常用塑性区内本构关系的测定,本次试验选用了Hollomon方程式。通过试验期间监测发现刚度下降,同时机械损伤引起了弹性模量Eapp相对于E0有了明显的降低,其中损伤参数的演变需要在应变过程中进行计算。在扫描电镜下进行原位拉伸试
验以便得出其损伤特性。

02 试验结果

图1为砂型铸造和激冷铸造的试验合金金相图,表2根据金相图测出的微观结构参数。从表2可以看出,砂型铸造和激冷铸造之间的平均等效直径Deq、形状因子α、形状尺度参数αDeq以及颗粒间距S区别并不明显。两铸件间的真正区别在于其枝晶尺度L,它在一系列的损伤中起着参数控制的作用。

图1 金相图

表2 A356铸件的微结构参数

拉伸试验结果显示于表3中。结果显示两铸件具有着十分相近的强度。伸长率A和硬化指数n在激冷铸件中较高。值得注意的是,应力―应变曲线并不能显示出试件断裂前的缩颈现象。破坏前的损伤系数Dc同样列入表3当中。结果可以看出砂型和激冷铸件在失效前又同样显示出了十分相近的刚度损失。

表3 A356铸件的力学特性

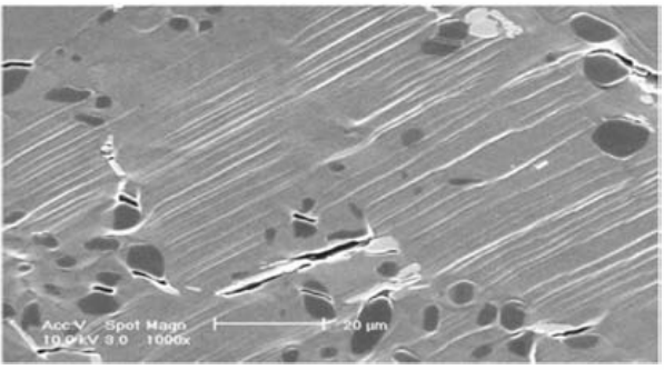
在扫描电镜中,在激冷铸件塑性应变前(图2)与不同塑性变形对比发现(图3-图8),应变期间损伤演化具有以下几个突出特点:损伤主要沿Si颗粒的开裂与界面方向发展;有塑性应变的损伤过程中很多Si颗粒开裂(图3),特别是枝晶边界上位错的积累产生应力集中并使Si颗粒的开裂特别突出(图4-图6);Si颗粒的微裂纹主要聚集在枝晶边界上(表2、图7);枝晶边界上一些微裂纹的联结产生宏观裂纹,并导致失效(图8)。

图2 激冷试样在塑性应变前的微观结构(Si颗粒为深灰色,FeSiAl5为白色)

图3 在图2的相同区域中,激冷试样在不同的塑性应变下造成的Si颗粒的损伤

图4 砂型铸件在5%塑性应变下的微观图像

图5 砂型铸样经过6%的塑性变形后的Si颗粒开裂微观图像

图6 激冷铸件在11%塑性应变下枝晶边界上发生的损伤失效的局部图像

图7 方向垂直于8%塑性应变的激冷铸样的拉应力方向的图像

图8 在8%塑性应变的砂型铸样中微裂纹聚并的失效区域的局部图像

03 讨论分析

通过试验数据设定了有关材料拉伸性的微结构参数。在金相分析的基础上,发现形状尺寸参数αDeq以及枝晶尺度L均参与了材料损伤的测定。从Thomason等人的研究发现,通过应用弥散硬化理论可以对颗粒中的应力进行估测,在此阶段,其尺寸等级服从Deq的量级(几微米)随着应变的增长导致Si颗粒的破坏,这与原位测试的结果是一致的。从相同的结果来看(图5、图6、图9),可以很容易的推断出,在两种铸造方法中,颗粒不同的长径比可以诱发出不同的颗粒应力。事实上,Caceres等人已经发现了这些试验结果,并随后由Dighe等人证实。

图9 在8%塑性应变的砂型铸样中,进一步施加应变图像

原位试验结果说明了Si颗粒的损伤主要发生在枝晶边界,而且对应于失效的开始阶段,这与Yeh的研究结果相一致。由于枝晶受到的应力并不均匀,使得微裂纹沿晶粒边界上分散扩展。并且,Si微观开裂后,通常不会存在空腔的增长,应变的增长诱导了微裂纹的开张而不会引起在周围基质中的扩展(图9)。应变的进一步增长,微裂纹之间的基质韧带可能会变得不稳定和皱缩(图10)。

图10 在10%塑性应变的激冷铸样中,Si颗粒中初现微裂纹间韧带的塑性失效

由原位测试获得的数据中,提供了对损伤过程的定量解释,对微结构中特殊效应的预测是必要的。在这方面,由扫描电镜图描绘的损伤演化暗示着可通过应用Thomason韧性断裂理论解释所观察的一系列现象。初始极限载荷σ1,1首先取决于应变期间系统的几何结构,这对于相邻Si颗粒中两微裂纹间韧带的塑性破坏十分必要(图10)。几何变量是Si中表面与微裂纹之间的距离h。应当指出的是β=β(εp),鉴于表2所示,Deq和S为定值。因此,现象中的空间尺度Deq或S,具有微米量级。σ1,1应当视为颗粒间的局部载荷极限且与试样无关。

韧带的塑性失效应力,σ1,1如下,改良后的Thomason原始模型:

其中a(n)是由Pardoen出的硬化指数方程,R0.2为基质的屈服强度。

试验结果表明枝晶边界的瓦解造成了尺度的改变。微结构的相关空间尺度现在为晶胞尺度L,量级为几十微米。微裂纹分数β随着应变的增长而增加,即β=β(εp)。Thomason考虑到了尺寸可变和间隔空隙的情况,然而在目前的研究工作中,只考虑到了Si的微裂纹。局部断裂区中的一些韧带会预先的达到极限载荷,但会保持暂停,直到临近的韧带也同样达到极限载荷。在Thomason的几何体系中,全局失效即发生点,然而在本次试验中,通过原位观察发现情况却转向了枝晶边界处。在这一阶段,全局失效只涉及到良好的个体边界的分散(图7)。因此,用L取代S、βDeq替代Deq、韧带断裂时的hmax取代h(εp)、以及最后的枝晶边界的失效应力σc,1替代韧带的失效应力σ1,1,式(1)就可以用于描述枝晶边界的失效。

最后,分别对砂型铸件和激冷铸件使用式(1),便有可能计算出两试验中枝晶边界的塑性破坏比例σc,1(sand)/σc,1(chill)。其结果已在图11中得以验证。显而易见的是,其比值低于单一平均值,因此枝晶边界韧带的破裂将首先发生在砂型铸件中。微结构参数,包括具有重要作用的颗粒直径Deq,颗粒间距S,以及枝晶尺度L。在经过Na(或Sr)改善以及T6热处理的合金中,首先通过凝固速率对其进行确定。如前所述,热处理可导致αDeq和S具有一定的一致性,而L不会改变。综上所述,通过拉伸试验以及应用式(1)对原位试验得出的定量数据β(εp)和hm进行计算,结果显示αDeq和S对拉伸性影响有限。然而,在原位试验的现有结果中,连同其他已发表的关于Al-Si改性合金的试验数据,表明L是控制这种合金的主要参数。

图11 砂型铸件和激冷铸件中某一个晶胞边界上极限载荷的比值

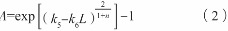
最后一步需要通过考虑之前的破坏机理,以定量的方式将微结构和拉伸性关联起来。细观裂纹的特性源自于枝晶边界上微裂纹的产生,用此便可以解释试样的失效与破坏。原位观测强调了一些枝晶边界中微裂纹聚并的作用(图8)。在某一点上产生的裂纹当传播到足够长的距离时便会失稳,从而导致试样的断裂。当尺寸具有毫米的量级时,其具有的不稳定性便可通过弹塑性断裂力学理论进行建模。本次试验的目的在于获得微观结构参数之间的定量关系,即L和表示为A的拉伸性。其实,伸长率通常认为是用来描述金属拉伸性的适当参数。A%值经常用于判定指定服从条件下铸件的适用性。

在本文范围内尚不能对模型的发展做出详细的描述。如Gowri等人所述,通过对模型中断裂韧性KIc和L之间经验关系的修改,然后将从原位试验中获得的损伤过程的详细资料带入式中,最终方程变为:

经验常数k5和k6为依赖于微结构参数的材料常数,例如αDeq和S。这些数据可以简单的通过试验数据的最佳拟合来获得。等式(2)把伸长率表示为枝晶尺度L的函数,其近似等价于次要枝晶的大小,并且服从Hollomon准则的硬化系数n可以通过拉伸试验的方式进行确定。L为主变量,因为它对铸造工艺十分敏感。而在实际应用中,L可以很轻松的从金相分析中获得。

等式(2)与Caldwell的试验数据相关。其结果绘于图12中,和不同的铸造产品一样,其数据相当分散。事实上,除了试验误差,诸如多孔、浮渣以及氧化皮等的铸造缺陷同样也会出现,从而引起了结果的明显变化。然而,其铸造产品仍然与图12相当吻合。总之,基于微结构参数(此处为枝晶尺度L)和损伤机理定量细节的拉伸性模型,其可靠、成功性已被证实。这种模型提供了预测铸件拉伸性的能力,其铸件为经过Sr改性并随后经过热处理的合金材料。

图12 Gardner的试验数据(小菱形)和目前的研究数据(粗圆)

04 结论

(1)在应变量的增加过程中,由于开裂形成了伴随有Si颗粒的脆性断裂的损伤,邻近的微裂纹得以产
生,同时Si的微裂纹的加入引起枝晶边界上微裂纹的形核,最终裂纹沿枝晶边界增长,直到出现不稳定状况。

(2)通过力学的原位拉伸试验,可以得到有关于损伤机理的定量数据,这对预测铸造合金的工程特性
十分有用。

作者

张光曙1,朱丽娟2,艾永平3
1. 江西机电职业技术学院招生就业处
2. 井冈山大国际交流与合作处
3. 井冈山大学机电学院机械系

本文转载自:铸造杂志

回页顶部